欢迎来到平博·(pinnacle)官方网站!

产品 中心

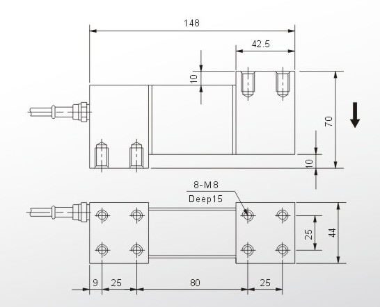
DTP-6平行梁传感器

产品简介:

DTP-6钢制传感器,出厂前经过严格的四角修正,在规定的称重范围内保证信号输出一致。采用金属外壳防护,可用于制作由单只传感器构成的各种电子台秤,专用秤,产品结构简单,精度高
  • 组成部分
  • 分布图
  • 技术参数

最大秤台面积Max Platerform scale:600X500mm

主 要 技 术 指 标Main Description

测量范围Capacity

20、30.50、70、100、150、200、250、300、500、700、1000

kg

lb

 输出灵敏度Rated Output

2.0±0.10

mV/V

 非线性Linear

±0.02

%F.S

 滞后Hysteresis

±0.02

%F.S

 重复性Reapeatability

±0.01

%F.S

 蠕变Creep

±0.02

%F.S

 零点输出Zero Balance

±1.0

%F.S

 温度补偿范围 Conpensated Temperature Range

室温~+60

 零点温度补偿系数Temperature Effect On Zero

±0.02

%F.S/10 

 额定输出温度系数 Temperature Effect On Output

±0.02

%F.S/10 

 供桥电压 Excitation Voltage

10V

AC/DC

 绝缘电阻Insulation Resistence

5000

MΩ/100VDC

 输入电阻 Input Resistence

385±5

Ω

 输出电阻Output Resistence

350±2

Ω

 允许过载系数Safe Overload

120

%F.S

电缆连接方式Cable Connection

信号输出Singal Output 黄:Yellow (+) 黑:Black (-)

供桥电压Excitation Voltage Red: (+) 绿Green (-)

在线订购