|
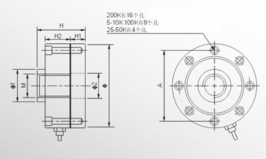
量程 |
尺寸mm |
||||||||
|
Klb |
t |
A |
Φ |
Φ1 |
Φ2 |
H |
H1 |
H2 |
M |
|
0.2~15 |
0.1~7.5 |
89.0 |
104.5 |
32.0 |
18.0 |
54.0 |
19.0 |
32.0 |
M16X1.5 |
|
25~50 |
10~25 |
101.5 |
120.5 |
39.0 |
34.0 |
78.0 |
24.0 |
41.2 |
M32X1.5 |
|
100 |
50 |
117.0 |
140.0 |
50.5 |
42.0 |
86.0 |
29.0 |
51.0 |
M40X1.5 |
|
150~200 |
60~100 |
162.0 |
200.0 |
76.0 |
64.0 |
125.0 |
42.0 |
70.0 |
M60X2 |

在线订购