欢迎来到平博·(pinnacle)官方网站!

产品 中心

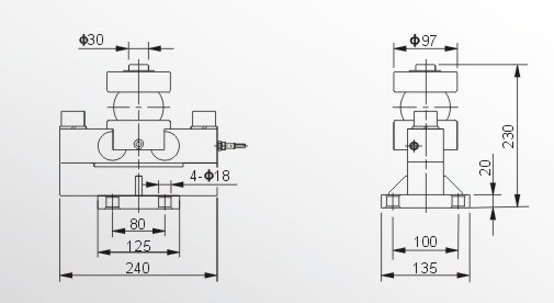
DTQ-1桥式传感器

产品简介:

DTQ-1型桥式传感器,弹性体为两端固定,中间受力的桥式结构,结构紧凑,传力组件采用压头、钢球结构,可自动复位调心,抗侧向能力强,精度高,性能稳定可靠,良好的密封,适应恶劣
  • 组成部分
  • 分布图
  • 技术参数

主 要 技 术 指 标Main Description

测量范围Capacity

10、15、20、25、30

kg

 输出灵敏度Rated Output

2.0±0.10

mV/V

 非线性Linear

±0.03

%F.S

 滞后Hysteresis

±0.03

%F.S

 重复性Reapeatability

±0.01

%F.S

 蠕变Creep

±0.02

%F.S

 零点输出Zero Balance

±1.0

%F.S

 温度补偿范围 Conpensated Temperature Range

室温~+60

 零点温度补偿系数Temperature Effect On Zero

±0.02

%F.S/10 

 额定输出温度系数 Temperature Effect On Output

±0.02

%F.S/10 

 供桥电压 Excitation Voltage

10V

AC/DC

 绝缘电阻Insulation Resistence

5000

MΩ/100VDC

 输入电阻 Input Resistence

770±10

Ω

 输出电阻Output Resistence

700±2

Ω

 允许过载系数Safe Overload

120

%F.S

电缆连接方式Cable Connection

信号输出Singal Output 黄:Yellow (+) 黑:Black (-)

供桥电压Excitation Voltage Red: (+) 绿Green (-)

在线订购